Section A: Purpose of War Portfolio, U. S. Marine Corps-- ![]()
OP-12C 19-4-CD War Portfolio--U.S. Marine Corps
INTRODUCTION
- To set forth for the information and guidance of those concerned:
- War Plans based upon existing conditions which can be put into effect immediately.
- Development Plans, i.e., plans for development of the Marine Corps beyond that now authorized as may be required to insure a satisfactory condition of readiness for the prosecution of effective and economical war against our most probable enemies.
- To serve as a guide for the coordination of all the peace activities and training of the Marine Corps towards reaching and maintaining the prescribed condition of readiness to execute the War Plans.
The War Plans to be used in case of threatened war (ORANGE only completed) [are] included in Book I, Part I, and in Book II. [Note: No Book II is in this document.]
Organization of the U. S. Marine Corps upon which the War Plans are based: Book I--Part 1
Strength: Strength of Corps authorized by law 27,400 Average strength permissible under appropriation fiscal year 1922 21,000 Organization: The Corps is organized into detachments, companies, battalions, regiments and higher organizations as demanded by existing conditions. No unit is necessarily permanent, though many companies have been in existence for a long period of time. Officers and many different units have been trained in the duties of Field Artillery, Heavy or Army Artillery, Ships' batteries, Signal duties, Engineer duties, aviation, etc.; in brief, all duties necessary to make the Corps an independent fighting force on land and in the air.
Stations: The Corps is stationed as indicated in Navy Register 1921.
Those organizations now in existence which must be expanded for war are as indicated on Chart "A."
This chart also shows navy yard detachments which will be relieved in time to join the organizations indicated at the place and on the date specified.
CONDITIONS OF READINESS FOR WAR DURING PEACE
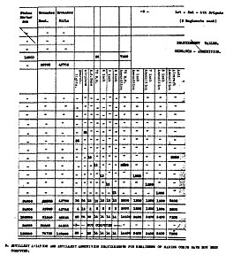
1. It will be observed that only those forces under head "Available" [in] Chart "A" are in readiness to take the field (if not already there), immediately; that no greater condition of readiness can be maintained until an increase in the strength of the Corps over that now appropriated for is authorized by the President; and that in time of peace the President can authorize an increase up to 27,400.
Showing men who become available, for organizations (not join organizations) in time of peace should President authorize.
27,400
Condition "C" Condition "B" Name of Force Present Strength Days
10Days
20Days
30Days
401st Brigade 1,696 5,000 Recruits) 2nd Brigade 2,153 with 5 weeks) 2,653 3rd Brigade 1,453 training) 3,433 4th Brigade 2,283 added) 4,783 For condition "A"--see Chart "A"; time required to fill organization after war has been declared.
ORANGE PLAN FOR PRESENT CONDITIONS PEACE POLICY
- Under normal conditions, the 3rd Brigade and 4th Brigade of Advanced Base Force will be maintained at Quantico, or San Diego or both places, as noted under "Available," Chart "A." The 1st and 2nd Brigades in Haiti and Santo Domingo are subject to change of station with changing political conditions. They will be maintained, however, either on active service in the field or, during periods of quiescence, at Quantico or San Diego, or both.
- When [a] tense diplomatic situation develops and war in the near future is considered possible, men for these brigades may be obtained as noted under Condition "B."
- When war has been declared, the mobilization scheme as for Condition "A" in Chart "A" will be carried into effect.
PREPARATORY MEASURES--MOBILIZATION PLAN The execution to be commenced at least 30 days prior to D. Day:
- Prepare and have ready to send out orders to (1) active officers; (2) retired officers; (3) reserve officers. These officers to fill vacancies in the war organization, or to relieve active officers for that purpose. Number required shown in Officer Requirement Curve on Organization Curve "B."
- Prepare and have ready to send out orders to reserves to proceed to station previously determined to meet requirements shown in Curve "C," Increase Marine Trained Personnel."
- Prepare and have ready orders to desirable civilian officer material, to report at training center. The number to be sufficient to meet the requirement of Officer Requirement Curve on Organization Curve "B."
- Accumulate stores and supplies other than war organizational equipment at ports of departure to meet Requirement Curves_____.
- Request assignment of ships to ports for transfer of personnel as shown in Graphic "D," and to transport the material and supplies shown in Requirement Curve "F," Ordnance, Material and Technical Supplies.
- Provide housing accommodations to meet recruit reserve and reenlisted flow Mare Island and Parris Island, Curve "E." Provide housing accommodations to meet organizational requirements in U. S., Curve_____. Provide for purchase and transfer of material for construction of housing facilities for organization in Hawaii, Graphic_____.
PLAN D. Day
- Put into execution all measures prepared for above.
- Induct reserves, re-enlist men and recruits, as shown in Curve "E."
- Assign and transfer trained personnel to organizations 1st, 2nd, 3rd and 4th Brigades as shown in Curve "C" Chart "A."
- Transfer organizations or parts thereof to Hawaii as shown in Graphic "D."
1st Phase: Mobilize 1st, 2nd, 3rd and 4th Brigades in Hawaii. Conduct intensive training, etc. (Detailed study Enclosure 1) [Note: Enclosure 1 is missing.]
2nd Phase: (a) Be prepared to accompany Fleet and reduce enemy resistance in Marshall Islands; to hold there a temporary base for our fleet and to deny the use of the remaining available island [s] or atolls suitable for bases to the enemy.
- Be prepared to reduce Caroline and Mariana Islands in like manner and to recapture Guam, if it has fallen to the enemy.
- Be prepared to capture and hold suitable base or bases from which our Fleet can exert decisive pressure upon Japan and can take advantage of every opportunity to bring the enemy's naval forces to action
To accompany War Portfolio Work Sheet.
Keep posted, as different departments complete work assigned.
Charts, Curves and Graphics--covering Mobilization Plan--with notation of work based on same which must be completed by various Staff Departments.
Designation Function Performed Work to be done and information to be obtained By Curve E Shows point of entry of Reserves, reenlisted men and recruits from D. Day. Housing facilities to meet.
Individual equipment to be supplied.Q.M. Curve F Requirements in Rifles, Pistols, Machine Guns, Automatic Rifles, etc. Based on Curve 1 and Chart 3, Curve 4. Amount on hand and possibilities of meeting requirements. Q.M. Chart A Shows--Organizations in existence to be expanded for war, with number of units and men on hand--the number of units and men to fill up, the class of men who will fill up, with time and place of joining up. Basis for all Curves. Complete equipment including reserve stores which must be assembled and transported--cu. contents, weight, ships necessary, etc.
Designation Function Performed Work to be done and information to be obtained By Organization Curve Curve B Show process of building up 1st, 2nd, 3rd, and 4th brigades. Organizational equipment necessary on dates when organizations are increased--showing amount on hand and possibilities of meeting requirements. Show cu. contents and wgt. of same for ship transport. Q.M. Trained Personnel Curve C Shows time, locality and rate that trained men are made available for organizations. Housing facilities to meet same--cu. contents, wgt [of] material to be transported and when. Q.M. Curve B Requirements in Officers, based on Chart 3, Curve 4 and 5. Means for meeting requirements.
Letters to Reserve Officers, Retired officers and to ex-officers to fill same. Letters to Civilian matériel to fill requirements.A.&I. Graphic D Shows time and place of departure of organizations or parts of same for Hawaii with time of arrival. Requirements in shipping to be requested of Navy showing date of departure and arrival at Hawaii, place for transports and amount of stores to accompany troops--weight, cu. contents, etc. Note:
- Department charged with meeting requirements will prepare statement as follows:
- Amount or number on hand.
- Amount or number that can be procured with existing facilities.
- Amount or number that must be provided by accumulating reserve in time of peace and amount that will have to be procured by utilizing civilian agencies. In all cases it will show the method of meeting the requirement, or, if this is not possible, the amount which can not be procured.
- In meeting the Officer Requirement Curve, A.&I. shall have all letters and telegrams necessary for its accomplishment prepared in advance and in like manner orders for mobilization of reserves should be prepared in advance.

Curve "B"
Chart "C"
Curve "C"
Curve "C", continued
[B L A N K P A G E]
[Chart "D"]
[Curve "D"? (original image corrupred)]
[Curve "D"]
[Curve "F"]
[B L A N K P A G E]
The following study of advanced base operations in Micronesia has been made for the purpose of crystallizing ideas as to the future operations in that area, thus obtaining a sound basis for the preparation of plans of operation and mobilization, training schedules and materiel programs. Preface
The problems which will confront the advanced base force in the theatre of operations considered are essentially similar to those which will be met with in any theatre of operations in which the Advanced Base Force is likely to operate.
[B L A N K P A G E]
In order to impose our will upon Japan, it will be necessary for us to project our fleet and land forces across the Pacific and wage war in Japanese waters. To effect this requires that we have sufficient bases to support the fleet, both during its projection and afterwards. As the matter stands at present, we cannot count upon the use of any bases west of Hawaii except those which we may seize from the enemy after the opening of hostilities. Moreover, the continued occupation of the Marshall, Caroline and Pelew Islands by the Japanese (now holding them under mandate of the League of Nations) invests them with a series of emergency bases flanking any line of communications across the Pacific throughout a distance of 2300 miles. The reduction and occupation of these islands and the establishment of the necessary bases therein, as a preliminary phase of the hostilities, is practically imperative. Introduction
The fact that our fleet is projecting itself into enemy waters denotes that it will have considerable superiority in gun and torpedo carriers. This being the case the enemy will, during the first phase of the operations, hold his main fleet in home waters, and endeavor with torpedo, mine and air craft to reduce our superiority to a limit where he believes he can safely risk a main fleet action. The fact that more or less extended operations are necessary in order to secure our Pacific line of communications gives the enemy an unusually good opportunity for executing his plan.
The extent to which the Marine Advanced Base Force will participate in these operations will very likely depend upon the number of Marines available--and their military worth in advanced base operations. If skilled in ship-shore operations and inculcated with a high morale and offensive spirit, they will doubtless be used to the limit--if only for the sake of general economy of lives.
[B L A N K P A G E]
Table of Contents
Next Chapter